CISA-16215.30 Врезной электромеханический замок
- Банковские карты
- Наличными при получении
- Банковский перевод для юр.лиц
- QR-код
CISA-16215.30 Врезной электромеханический замок
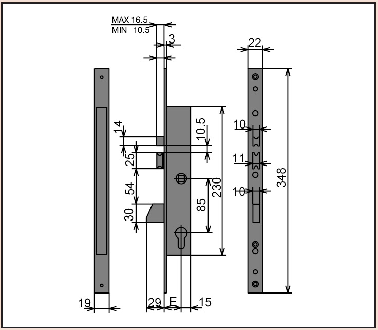
Расстояние от торца замка до центра цилиндра: 30 мм.
Замок имеет взводной ригель, электрически управляемую защелку и механический поворотный ригель, управляемый одним оборотом ключа стандартного профиля.
Замок реверсивный, направление открывания двери меняется перестановкой ригелей.
Лицевая планка замка выполнена из нержавеющей стали, ригеля — оцинкованная полированная сталь.
Замок может быть открыт изнутри с помощью ручки (под ручку в замке предусмотрено отверстие — стандартный 8 мм квадрат).
Комплектация: замок, винт крепления цилиндра стандартного профиля, накладки на цилиндр.
Замок работает от отдельного блока питания БП-ЭМЗ.
Отсутствие напряжения не влияет на открытие ключом.
Подача питания на замок, находящийся на подвижной части двери, может осуществляться через гибкий переход или контактную пару.
Обязательно использовать специализированный Блок Питания для Электро-механических замков (БП-ЭМЗ).
Это обусловлено особенностью работы Электромехан. Замков. Очень часто при открывании замка, собственник, удерживает на видеодомофоне (или ином устройстве) кнопку "Открыть", пока не увидит, что гость вошел в дверь. При этом постоянно подается питание на катушку электормеханического замка, что и приводит к выходу из строя замка (сгорает обмотка катушки).
СОВЕТЫ:
При монтаже нескольких устройств, требующих одинакового питания (12В), разумно использовать несколько Блоков Питания (БП), под каждую задачу - свой.
| Питание | 12 вольт |
| Доставка | Доставка по Москве осуществляется на следующий день с момента заказа.
|
Если вы решили купить CISA-16215.30 Врезной электромеханический замок то вы можете сделать заказ в нашем интернет магазине по выгодной для вас цене. Так же вы можете ознакомиться с характеристиками, сделать расчет и скачать инструкцию на оборудование.
Если вы нашли этот же товар ДЕШЕВЛЕ или хотите купить его для перепродажи то вы можете написать нам или позвонить и мы всегда предложим вам самую выгодную цену.
Заказать CISA-16215.30 Врезной электромеханический замок вы можете либо с доставкой по Москве или в любой город России (подходящей вам транспортной компанией или службой доставки). Так же вы можете оформить самовывоз из офиса компании Видеотехнология в г. Москва.
Представленная информация носит справочный характер и не является публичной офертой. Технические характеристики, комплект поставки или внешний вид изделия могут быть изменены производителем без предварительного уведомления.
Для постоянных клиентов и партнеров цена CISA-16215.30 Врезной электромеханический замок корректируется в личном кабинете.
Электромеханический замок (ИТАЛИЯ), врезной в профильную алюминиевую или пластиковую дверь.
Двухполосная корпусная акустическая система, 200W/RMS, 400W(max) - 8ohm, 50W/75W/100W - 100V, МДФ, цвет белый
Электромеханический замок (ИТАЛИЯ), врезной в профильную алюминиевую или пластиковую дверь.
ISEO 7817-02-35 Замок электромеханический, врезной узкий вертикальный.
Cabeus PC-FTP-RJ45-Cat.6-2m-LSZH Патч-корд F/UTP, категория 6, 2xRJ45/8p8c, экранированный, серый, LSZH, 2м
Профессиональный балансный звуковой кабель XLR(male) / XLR(female), длина 1m
Инсталляционная 2-х полосная акустическая система, 15”+1,5”, 450W(AES)/900W(max), 8ohm, встроенный пассивный кроссовер, цвет белый












